
Связаться с нами
Адреса:
125373 г. Москва, Походный пр-д, д. 14, бизнес-центр «GS ТУШИНО»
125464 г. Москва, ул. Митинская, д.12
Прием заявок и консультации:
Ваша Заявка
Купите необходимый Вам товар. Для этого перейдите на страницу с его описанием и нажмите кнопку
"Добавить товар в заявку".
Гарантия качества товара, техническая консультация от профессионалов
Цена: по запросу
Краны кнопочные VE-РАСКО ® нормально закрытые (НЗ) предназначены для кратковременной подачи давления на манометры (и другие механические измерительные приборы), при измерении, и последующего снятия давления (разгрузки), после завершения измерения. Обеспечивают увеличение эксплуатационного ресурса манометров за счет исключения постоянного воздействия пульсаций давления на чувствительный элемент манометра и предотвращения преждевременного износа его измерительного механизма.
VE-РАСКО ® нормально открытые (НО) кнопочные краны – для постоянной подачи давления на электронные датчики и преобразователи давления, при измерении, и последующего кратковременного снятия давления с целью удобства контроля нуля («дрейфа 0») приборов.
Возможно, Вас заинтересует ОБНОВЛЕННЫЙ кран для манометра ; обновленный полный аналог данного кнопочного крана: VE-PACKO-M ® кран кнопочный (уменьшенной металлоёмкости)
Краны кнопочные VE-РАСКО для манометра применяются в газораспределительных пунктах (ГРП) и установках (ГРУ), системах газоснабжения коммунальных и промышленных объектов, системах вентиляции и кондиционирования, в котельных, тепловых пунктах, компрессорных установках и другом технологическом оборудовании.
Кнопочные краны для манометра VE-РАСКО ® имеют класс герметичности А по ГОСТ 9544-2005.
Краны кнопочные VE-РАСКО ® значительно превосходят зарубежные аналоги по диапазону рабочих температур, максимально допустимому давлению и функциональным возможностям — нормально закрытое и нормально открытое исполнения.
Продукция сертифицирована, имеется разрешение на применение.
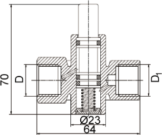
| Наименование параметра | Значение |
| Измеряемая среда | воздух, природный газ, аргон и другие газы, неагрессивные к медным сплавам, нержавеющей стали и масло-бензостойкой резине |
| Давление измеряемой среды, МПа | 0,6; 1,6 |
| Температура рабочей и окружающей среды, ºС | –40 … +70 |
| Конструктивное исполнение по соединению входа и выхода при ненажатой кнопке | НЗ — нормально закрытый; НО — нормально открытый |
| Тип резьбы на входе D и выходе D1 (со стороны измерителя давления) | Внутренняя резьба: G1/2” по DIN ISO 228 или М20х1,5 или М12х1,5 (новое исполнение) |
Дополнительная информация

Кран для манометра кнопочного типа НЗ-исполнение на давление 1,6 МПа с резьбой на входе (со стороны рабочего давления) G1/2" и резьбой на выходе (со стороны измерителя давления) М20х1,5-6Н: Кран кнопочный VE-РАСКО-НЗ-1,6-G1/2-М20.

Купить кран кнопочный VE РАСКО ® (кран для манометра) по минимальной цене в Москве (со склада или с доставкой по России) Вы можете в НПФ РАСКО, обратившись к нашим специалистам.
Возможно, Вас заинтересует купить кран для манометра трехходовой (кран трехходовой для датчика давления) - ОБНОВЛЕННЫЙ АНАЛОГ: NEW! VE-PACKO-M кран кнопочный (уменьшенной металлоёмкости)
(!) Обращаем Ваше внимание, что товарный знак VE-PACKO официально зарегистрирован компанией ООО «НПФ «РАСКО» (Свидетельство о регистрации товарного знака № 860246)!
Листовка-описание крана кнопочного VE-PACKO, 486 Кб
Свидетельство на товарный знак VE-PACKO , 536 Кб
Декларация соответствия EAC VE-РАСКО от 2020 г., 472 Кб
Изготовителям манометров, 148 Кб
Изготовителям преобразователей давления, 147 Кб
Вкладыш про класс герметичности А, 160 Кб
Потребителям манометров, 148 Кб